注目アイテム

モリタ宮田工業 消火器用バンドブラケット 3・4型用 BKT4SSB 【メーカー在庫限り】

Item Number 12

 ※ご注文後にメーカー手配となる「お取寄品」です。

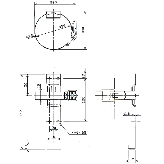
 ※1枚目の画像は商品形状のイラスト図、2枚目は寸法図となります。

 モリタ宮田工業製の消火器専用のバンドブラケットです。

 バンドでしっかりと消火器を固定しますので安定した取付が出来ます。

 ブラケットを使用する事で消火器が地面に触れず耐久性が向上します。

 本品はモリタ宮田工業製の消火器専用となります。

 他メーカー消火器のご利用は出来ませんのでご注意ください。

 ※他のバンドブラケット一覧は こちら  ※消火器・散布器は こちら ブラケット型式BKT4SSB取付穴4か所表面処理 (色)電気亜鉛メッキ 黒色クロメート処理 (黒色)適用消火器 (現型式)−適用消火器 (旧型式)EFC3 EFC4 ME3C ME4C ME3B ME4B ME3 ME4 M3A M4A CA3D CA4ED CA4B 

Item Number 12

Review Count レビュー件数 0件
Review Average レビュー平均 0(5点満点)
Shop Name ショップ 西谷商店
Price 商品価格 1,360円(税込み)

この商品を買った人は、こちらの商品にも興味をもっています。

こちらも一緒にいかがですか